股票代码  003021
主页 > 产品中心 > 微型电机 > 无刷空心杯电机 > Φ6mm 无刷空心杯电机(MC)
概述

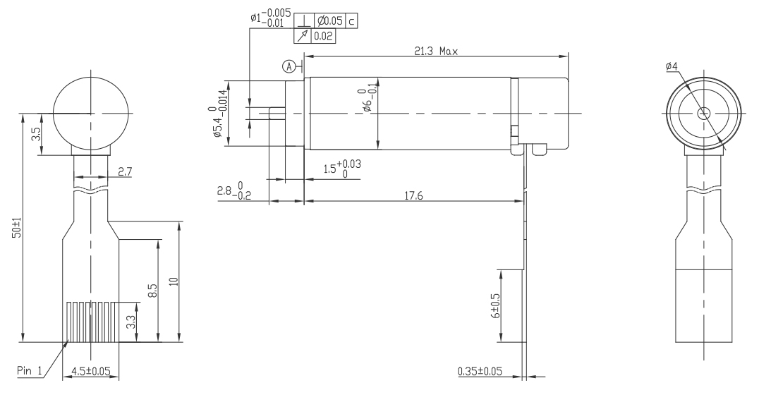
Φ6mm 无刷空心杯电机(MC)

产品型号:CL0623

直径(mm):6

长度(mm):23

额定电压(V):12

额定转速(rpm):46800

堵转转矩(mNm):1.3

堵转电流(A) :0.87

转矩常数(mNm/A):1.6

速度常数(rpm/V) :5882

输出轴直径(mm):1

电机参数

电机数据(额定值)
额定电压(V) 12 3.5
空载转速(rpm) 63400 38000
空载电流(A) 37 37
额定转速 (rpm) 46800 26400
额定转矩(mNm) 0.425 0.19
额定电流(A) 0.308 0.3
堵转转矩(mNm) 1.3 0.58
堵转电流(A) 0.87 0.79
最大效率(%) 53 55
电机常数(额定值)
相间电阻(Ω) 14.4 4.4
相间电感(mH) 0.06 0.025
转矩常数(mNm/A) 1.6 0.8
速度常数(rpm/V) 5882 12500
转速/转矩斜度( rpm/mNm) 51631 69384
机械时间常数(ms) 3.76 5.04
转子惯量(gcm2) 0.007 0.007
热参数
机壳-环境热阻(K/W) 65.8 67.9
绕组-机壳热阻(K/W) 13.2 15.2
绕组热时间常数(s) 1.34 1.54
电机热时间常数(s) 70.4 71.5
环境温度(℃) ?? -20~+100 ?? -20~+100
最高绕组温度(℃) 125 125
机械参数(滚珠轴承)
最大允许转速(rpm) 100 000
最大轴向间隙(mm) < 0.15 N? ?0
> 0.15 N? ?0.06(max)
径向间隙 preloaded
最大轴向动态载荷(N) 0.1
最大允许安静态装力(N) 10
最大径向载荷,距离法兰处2mm处(N) 2
端子型号
Molex 52745-0897 52207-0460
FCI SFV8R-2STBE1HLF SFW4R-2STGE1LF
*注:以上具体参数可根据客户要求定制。

设计图纸

热门产品查看更多

  •  MC0820

      额定电压5 V  

      额定转速15000 rpm  

      堵转转矩1.08 mNm  

    查看详情
  •  MC1028

      功率8.7W  

      扭矩1.5 mNm  

      磁极两磁极  

    查看详情
  •  MC1226

      功率9.9W  

      扭矩2.38 mNm  

      磁极两磁极  

    查看详情

资料下载

Φ6mm 无刷空心杯电机(MC)规格书

不朽情缘mg官网 — 微型驱动系统制造商

专注于研发、生产精密驱动系统,为客户提供智能驱动方案设计,零件的生产与组装的定制化服务

立即咨询  >

粤ICP备11019966号     Copyright ? 2023  深圳市不朽情缘mg官网机电股份有限公司  

粤ICP备11019966号
Copyright  2023  深圳市不朽情缘mg官网机电股份有限公司

400-066-2287
服务热线


线

服务热线:400-066-2287
sitemap地图